
自來水電磁流量計
- 品*:JKM/凱銘儀表
- 型號:JKM-LDE
- 測量范圍:0.028~205258m3/h
- 精度等級:0.5級、1.0級
- 公稱通徑:DN10~DN2200
- 適用介質:污水、導電液體
- 工作壓力:1.6~6.3MPa
- 工作溫度:-20~+200℃
- 供電方式:220V 24V 鋰電池
- 訂貨號:BHA273996REX
自來水電磁流量計產品概述
電磁流量計連接方式有法蘭式,螺紋連接式和卡箍式連接。它特別設計了帶背光寬溫的中文液晶顯示器,功能齊全實用、顯示直觀、操作使用方便,可以減少其他電磁流量計英文菜單所帶來的不便。另外我們**設計4-6多電極結構,進一步保證了測量精度并且任何時候無需接地環,減輕了儀表體積和安裝維護的麻煩。LDE電磁流量計精度通常為0.5級,故障率低,是測量液體介質*先流量儀表。
自來水電磁流量計特點
電磁流量計由傳感器和轉換器兩部分組成,被測流體介質電導率≥5μS/cm。
本產品采用當前電磁流量計的*新技術制造,具有以下特點:
1、測量管內無阻力及活動部件,因此無壓力損失,是一種典型的節能儀表。
2、由于感應信號是在整個充滿磁場的空間形成,它與管道截面上流速的平均值成正比。因此,對管道內流速分布不敏感,要求流量計上、下游的直管段相對其它流量計短。
3、測量不受流體密度、粘度、溫度、壓力和電導率變化的影響。
4、合理地選擇電極及襯里材料,能夠達到測量各種腐蝕性、耐磨性導電介質的使用要求。
5、轉換器采用新穎的勵磁方式,功耗低,零點穩定,測量精度高,適于生產過程流量檢測和總量計量。流量測量范圍可達1500:1。
6、流量計具有自動流向鑒別,能測量雙向流。具有電流、頻率、脈沖和RS485數字通訊輸出。還有流量上下限報警和故障報警功能。
7、流量計能顯示瞬時流量、流速、流量百分比、正反累積流量、差值流量,方便讀數。內有三級密碼設置功能,防止數據被隨意更改。
8、轉換器采用3行128×64帶背光LCD點陣簡體漢字顯示,參數設置方便。并具有FROM存貯設置參數和累計流量值,具有掉電保護功能。
9、轉換器采用表面安裝技術(SMT),具有自檢與自診斷功能,可靠性高。
10、具有適合滿足現場環境條件安裝的防爆型、沉浸型、衛生型、分體型和一體型結構。
自來水電磁流量計主要用途
電磁流量計廣泛用于化工、礦冶、給排水、造紙、醫藥、食品、石化、電力、輕工、農用灌溉、水利等行業的管道中,導電液體和漿液的體積流量的測量。
自來水電磁流量計正常工作條件
1、環境溫度: 傳感器 -25℃~+60℃;轉換器 -10℃~+60℃
2、相對濕度: 5%~90%;
3、供電電源:交流供電:頻率47~63Hz;電壓85~260V;諧波成分不大于5%;直流供電:18~36V,紋波5%。
4、功率: 小于20W。
自來水電磁流量計工作原理
傳感器是根據法拉*電磁感應定律工作的,如工作原理圖所示:
當導電液體沿測量管在交變磁場與磁力線成垂直方向運動時,導電液體切割磁力線產生感應電勢。在與測量管軸線和磁力線相互垂直的管壁上安裝了一對檢測電極,將這個感應電勢檢出。
則有:
E=BVD
式中:E-感應電勢;
B-磁感應強度;
D-電極間的距離,與測量管內徑相等;
V-測量管內被測流體的平均流速。
式(1)中磁場B是恒定不變的,D為一常數,則感應電動勢E與被測流體的平均流速V成正比。通過測量管橫截面上的瞬時體積流量Q與流速V之間的關系為:
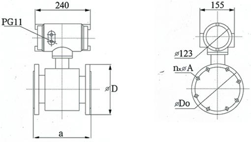
自來水電磁流量計型式及結構
1、 按用途分類
| 種類 | 用途 |
| 普通型 | 在通常環境下使用 |
| 防爆型 | 在爆炸性氣體的環境下使用 |
| 衛生型 | 使用在有衛生要求的條件下 |
| 沉浸型 | 符合GB4208防護等級IP68 |
2、按組合型式分類
按轉換器和傳感器的組合型式分類有:分體型和一體型。
3、主要結構
污水流量計由傳感器和轉換器兩部分組成(如下圖所示)。
傳感器主要由測量管、電極、勵磁線圈、絕緣襯里、殼體等部分組成。
自來水電磁流量計技術性能指標
1、執行標準:JB/T9248-1999;
2、公稱通徑(mm):DN10、15、20、25、32、40、50、65、80、100、125、150、200、250、300、350、400、450、500、600、700、800、900、1000、1200、1400、1600、1800、2000;
3、*高測量流速:10m/s;
4、精度表
| 通徑(mm) | 流速(m/s) | 基本誤差 |
| DN10,15,700~2000 | ≥1m/s | ±0.5%R |
| <1m/s | ±3mm/s | |
| DN20~600 | ≥1m/s | ±0.3%R |
| <1m/s | ±2mm/s |
5、流體電導率:≥5μS/cm;
6、公稱壓力:DN10~DN50 4.0MPa;DN65~DN150 1.6MPa;DN200~DN1000 1.0MPa;DN1200~DN2000 0.6MPa。
7、*高流體溫度
| 襯里材料 | 分體型 | 一體型 |
| 聚四氟乙烯(PTFE) | 100℃;特殊訂貨150℃ | 70℃ |
| 氯丁橡膠 | 70℃;特殊訂貨120℃ | |
| 聚全氟乙丙烯(F46) | 100℃ | |
| 聚氯合乙烯(FS) | 80℃ | |
| 聚氨酯 | 45℃;80℃訂貨時注明 |
8、襯里材料:聚四氟乙烯(PTFE) 氯丁橡膠 聚氨酯 聚全氟乙丙烯(F46) 聚氯合乙烯(FS)。
9、電極材料:不銹鋼、0Cr18Ni12Mo2Ti、哈氏合金B(Hb)、哈氏合金C(Hc)、鈦(Ti)、鉭(Ta)、鉑/銥合金(Pa)
10、外殼防護等級:IP65、IP68
11、防爆標志:一體型、DN10~DN600 mdⅡBT4;分體型、DN10~DN1200 mⅡBT4
12、供電電源:電壓220VAC 50Hz; 24VDC
13、分體型:傳感器與轉換器的距離 一般不超過100m。超過100m時,應特殊訂貨。
自來水電磁流量計外形尺寸
公稱通徑與額定壓力、外形及連接尺寸(一體型)
|
公稱通徑 (mm) |
額定壓力 (MPa) | 外形尺寸(mm) | 法蘭連接尺寸(mm) | |||
| a | b | c | D0 | n×A | ||
| 10 | 4.0 | 200 | 320 | 90 | Φ60 | 4×Φ14 |
| 15 | 4.0 | 200 | 320 | 95 | Φ65 | 4×Φ14 |
| 20 | 4.0 | 200 | 330 | 105 | Φ75 | 4×Φ14 |
| 25 | 4.0 | 200 | 340 | 115 | Φ85 | 4×Φ14 |
| 32 | 4.0 | 200 | 350 | 140 | Φ100 | 4×Φ18 |
| 40 | 4.0 | 200 | 355 | 150 | Φ110 | 4×Φ18 |
| 50 | 4.0 | 200 | 380 | 165 | Φ125 | 4×Φ18 |
| 65 | 1.6 | 200 | 385 | 185 | Φ145 | 4×Φ18 |
| 80 | 1.6 | 200 | 410 | 200 | Φ160 | 8×Φ18 |
| 100 | 1.6 | 250 | 430 | 220 | Φ180 | 8×Φ18 |
| 125 | 1.6 | 250 | 445 | 250 | Φ210 | 8×Φ18 |
| 150 | 1.6 | 300 | 490 | 285 | Φ240 | 8×Φ22 |
| 200 | 1.0 | 350 | 550 | 340 | Φ295 | 8×Φ22 |
| 250 | 1.0 | 450 | 580 | 395 | Φ350 | 12×Φ22 |
| 300 | 1.0 | 500 | 640 | 445 | Φ400 | 12×Φ22 |
| 350 | 1.0 | 550 | 705 | 505 | Φ460 | 16×Φ22 |
| 400 | 1.0 | 600 | 760 | 565 | Φ515 | 16×Φ26 |
| 450 | 1.0 | 600 | 810 | 615 | Φ565 | 20×Φ26 |
| 500 | 1.0 | 600 | 860 | 670 | Φ620 | 20×Φ26 |
| 600 | 1.0 | 600 | 970 | 780 | Φ725 | 20×Φ30 |
| 700 | 1.0 | 700 | 1075 | 895 | Φ840 | 24×Φ30 |
| 800 | 1.0 | 800 | 1190 | 1015 | Φ950 | 24×Φ35 |
| 900 | 1.0 | 900 | 1240 | 1115 | Φ1050 | 28×Φ35 |
| 1000 | 1.0 | 1000 | 1290 | 1230 | Φ1160 | 28×Φ35 |
公稱通徑與額定壓力、外形及連接尺寸(分體型)
|
公稱通徑 (mm) |
額定壓力 (MPa) | 外形尺寸(mm) | 法蘭連接尺寸(mm) | |||
| a | b | c | D0 | n×A | ||
| 10 | 4.0 | 200 | 185 | 90 | Φ60 | 4×Φ14 |
| 15 | 4.0 | 200 | 190 | 95 | Φ65 | 4×Φ14 |
| 20 | 4.0 | 200 | 195 | 105 | Φ75 | 4×Φ14 |
| 25 | 4.0 | 200 | 205 | 115 | Φ85 | 4×Φ14 |
| 32 | 4.0 | 200 | 215 | 140 | Φ100 | 4×Φ18 |
| 40 | 4.0 | 200 | 220 | 150 | Φ110 | 4×Φ18 |
| 50 | 4.0 | 200 | 240 | 165 | Φ125 | 4×Φ18 |
| 65 | 1.6 | 200 | 250 | 185 | Φ145 | 4×Φ18 |
| 80 | 1.6 | 200 | 280 | 200 | Φ160 | 8×Φ18 |
| 100 | 1.6 | 250 | 300 | 220 | Φ180 | 8×Φ18 |
| 125 | 1.6 | 250 | 320 | 250 | Φ210 | 8×Φ18 |
| 150 | 1.6 | 300 | 360 | 285 | Φ240 | 8×Φ22 |
| 200 | 1.0 | 350 | 415 | 340 | Φ295 | 8×Φ22 |
| 250 | 1.0 | 450 | 490 | 395 | Φ350 | 12×Φ22 |
| 300 | 1.0 | 500 | 510 | 445 | Φ400 | 12×Φ22 |
| 350 | 1.0 | 550 | 370 | 505 | Φ460 | 16×Φ22 |
| 400 | 1.0 | 600 | 630 | 565 | Φ515 | 16×Φ26 |
| 450 | 1.0 | 600 | 680 | 615 | Φ565 | 20×Φ26 |
| 500 | 1.0 | 600 | 730 | 670 | Φ620 | 20×Φ26 |
| 600 | 1.0 | 600 | 835 | 780 | Φ725 | 20×Φ30 |
| 700 | 1.0 | 700 | 945 | 895 | Φ840 | 24×Φ30 |
| 800 | 1.0 | 800 | 1055 | 1015 | Φ950 | 24×Φ35 |
| 900 | 1.0 | 900 | 1170 | 1115 | Φ1050 | 28×Φ35 |
| 1000 | 1.0 | 1000 | 1280 | 1230 | Φ1160 | 28×Φ35 |
| 1200 | 0.6 | 1200 | 1460 | 1405 | Φ1340 | 32×Φ35 |
| 1400 | 0.6 | 1400 | 1820 | 1525 | Φ1560 | 36×Φ36 |
| 1600 | 0.6 | 1600 | 2030 | 1725 | Φ1760 | 40×Φ36 |
| 1800 | 0.6 | 1800 | 2230 | 1925 | Φ1970 | 44×Φ39 |
| 2000 | 0.6 | 2000 | 2430 | 2170 | Φ2180 | 48×Φ32 |
自來水電磁流量計產品選型
| 型 號 | 口 徑 |
| KM-LDE | 25~2600 |
| B1 | 316L |
| B2 | HB |
| B3 | HC |
| B4 | 鈦 |
| B5 | 鉭 |
| B6 | 鉑合金 |
| B7 | 不銹鋼涂覆碳化鎢 |
| 代號 | 內襯材料 |
| C1 | 聚四氟乙烯F4 |
| C2 | 聚全氟乙丙烯F46 |
| C3 | 聚氟合乙烯FS |
| C4 | 聚錄丁橡膠 |
| C5 | 聚氨脂橡膠 |
| 代號 | 功能 |
| E1 | 0.3級 |
| E2 | 0.5級 |
| E3 | 1級 |
| F1 | 4-20mA 負載≤750Ω |
| F2 | 0-3khz5v有源,可變脈寬,輸出高端有效頻率 |
| F3 | RS485接口 |
| T1 | 常溫型 |
| T2 | 高溫型 |
| T3 | 超高溫型 |
| P1 | 1.0MPa |
| P2 | 1.6MPa |
| P3 | 4.0MPa |
| P4 | 16MPa |
| D1 | 220VAC±10% |
| D2 | 24VDC±10% |
| 1 | 一體型結構 |
| 2 | 分體型結構 |
| 3 | 防爆型一體結構 |
自來水電磁流量計安裝地點的選擇
為了使變送器工作可靠穩定,在選擇安裝地點時應注意以下幾個方面的要求:
⑴盡量避開鐵磁性物體及具有強電磁場的設備(如大電機、大變壓器的等),以免磁場影響傳感器的工作磁場和流量信號。
⑵應盡量安裝在干燥通風之處,不宜在潮濕、易積水的地方安裝。
⑶應盡量避免日曬雨淋,避免環境溫度高于60℃及相對濕度大于95%。
⑷選擇便于維修,活動方便的地方。
⑸流量計應安裝在水泵后端,決不能在抽吸側安裝;閥門應安裝在流量計的下游側。
自來水電磁流量計安裝要求
為了準確計量,在選擇安裝位置時應注意以下幾點要求:
⑴ 傳感器既可在垂直管道上安裝,也可以在水平或傾斜管道上安裝,但要求二電極的中心連線處于水平狀態。
⑵ 介質在管道中應滿管流動,避免由氣穴而產生電極斷路。
⑶ 對于液固兩相流體,*好采用垂直安裝,使傳感器襯里磨損均勻,延長使用壽命。
⑷ 在流量計安裝位置介質不滿管時,可采取抬高流量半后端管路的方法,使其滿管,嚴禁在管道*高點和出水口安裝流量計。(見圖)
⑸修改管道的安裝方法:當介質流速達不到要求時,應當選用較小口徑的流量計,這時應使用異徑錐管或修改部分管道,使其與傳感器同口徑,但要保證前后直管段長度。
⑹前后直管段為流量計前≥5DN,后端≥2DN。
上一篇:JKM-LDE管道式電磁流量計
下一篇:JKM-LDE防爆電磁流量計


